PRODUCT DISPLAY

概述
四平市東升換熱器制造有限公司是一個具有中等規模的生産(chǎn)換熱器、散熱器、熱空氣幕、空調的專業廠家。多年來,我公司本著(zhe)“精益求精、開拓進取”的務實态度,不斷開發新産品。
本公司引進翅片管軋機和成磁軋工藝,可生産各種規格的雙金屬軋制管和同金屬軋制管,雙金屬軋制管是一種較爲理想的散熱原件。它具有抗腐蝕性強,傳熱效率高,使用壽命長的特點,用雙金屬軋制管生産的散熱器、熱空氣幕、空調器特别用於(yú)烘幹設備(bèi)配套是理想的産品,深受國内外用戶的歡迎。
我公司具有國内先進的多種專用生産設備(bèi)及高素質的工程技術人員,生産工藝先進,産品主要用於(yú)石油、化工、制藥、機電、冶煉、糧食加工、大型木材烘幹等。
空氣換熱器

應用領域
用於(yú)暖通空調(diào)、工業幹燥、餘熱回收等很多領域
性能特點
SRZ、SRL型空氣散熱器是一種多用途、多功能的熱交換設備,在它以鋼(或鋁)翅片管爲傳熱原件,以蒸汽、熱水或熱油爲一種材質,以空氣爲另一種材質。因此,當管内通過蒸汽或熱水時,産出熱風可用於(yú)建築物的冬季採(cǎi)暖,管内通過冷水時,可用於(yú)建築物的夏季空調;當管内通過高溫蒸汽或高溫油時,可制備熱空氣用於(yú)糧食或其他工業制品的烘幹;當某些工業廢氣含有大量餘熱時,又可利用該設備回收餘熱,産出可用的熱風或熱水。此外,翅片管又是軸流暖風機、熱風幕必不可少的部件。
雙金屬軋制管“翅片管”性質介紹
“翅片管”是生産(chǎn)散熱器、空調(diào)器的基本元件,翅片管的質量好壞直接影響散熱器、空調(diào)的質量,因而合理選用翅片管是至關重要的。
我公司生産的“雙金屬軋制管”是将鋁管緊套的基管上,而後在鋁管上經粗軋、精軋、連續軋出翅片,成形的翅片管,我公司抽樣進行單根管子的熱工測試,保證成品管子具有良好的複合性能。我公司生産的“雙金屬軋制管”具有好的傳熱性能,使用時翅片管與襯管間不會因産生電化學腐蝕性能和很高的強度,它可以承受4.0Mpa水壓沖洗,翅片也不緻倒伏。作爲散熱器中的翅片管,雖一次投資略高,但綜合考慮還是經濟的。
我公司生産的“雙金屬軋制管”是目前北美與歐洲,通用管子“雙金屬軋制管”的基管可以根據介紹腐蝕情況來選定基管,可以用不鏽鋼、碳鋼、鎳銅、钛管等,雙金屬軋制管束的價格也僅略高於同類基管鑲嵌式翅片管束。
SRL型鋁翅片式散熱器
産品特點
SRL型鋁翅片式散熱器,是以0.3-0.6Mpa的蒸汽或130℃左右的熱水爲熱媒介質來加熱空氣用的空氣換熱器,由鋁翅片管、管闆、側闆等不見組成。其具有體輕、美觀、結構緊湊、使用方便、熱效能高等諸多有點,廣泛應用於(yú)集中或局部採(cǎi)暖、送風採(cǎi)暖及各工礦企事業單位,大型建築物的採(cǎi)暖工程上。
型号說明

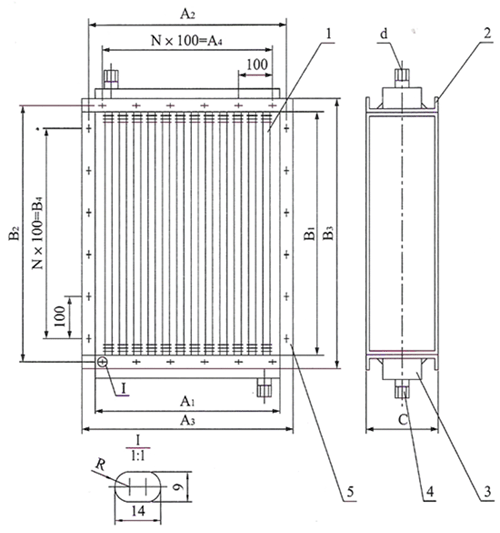
外形結構尺寸圖

1、鋁翅片管 2、管闆 3、管箱 4、外連(lián)接管 5、側(cè)闆組件
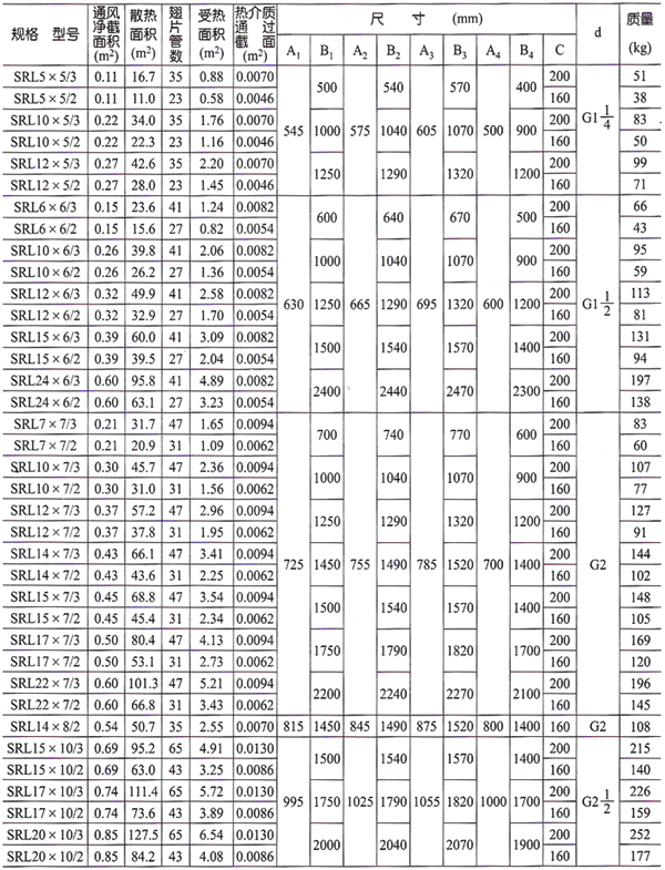
SRL型鋁(lǚ)散熱器主要技術參(cān)數、尺寸表

SRZ型螺旋翅片式散熱器
産品特點
SRZ型螺旋翅片式散熱器是在熱風裝置中作爲加熱空氣用的空氣加熱器,是熱風裝置中的主要設備,其主要由管闆、側闆和三排交叉排列的螺旋翅片管束等部件組成。翅片管的翅片採用薄鋼帶的繞片工藝之後整體鍍鋅而成。其具有散熱接觸面廣、傳熱性能穩定、耐腐蝕、使用壽命長等諸多優點;被廣泛應用於熱風採暖、空氣調節系統及幹燥裝置的空氣加熱系統,工礦企業大型建築物的採暖通風系統中;其熱介質通常採用0.03~0.6Mpa的蒸汽或70℃~130℃的熱水。
型号說明

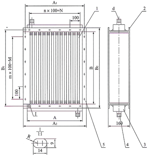
外形結構尺寸圖

1、鍍(dù)鋅翅片管 2、管闆 3、管箱 4、外連接管 5、側(cè)闆組件
SRZ型鋁(lǚ)散熱器主要技術參(cān)數、尺寸表

RZGL型空氣加熱器
産品特點
RZGL型空氣加熱器是用雙金屬軋片式翅片管作換熱管、基管材料爲冷撥無縫鋼管、不鏽鋼管、銅管;肋片材料爲純鋁整體軋制成型,這種整體軋制的雙金屬翅片管,是一種新型高效傳熱元件,具有國際水平、其主要性能傳熱系列是繞片式二倍。因而,RZGL型空氣加熱器同其他繞片管加熱器相比具有體積小、重量輕、壽命長、效果顯著、成本低、耐腐、抗溫度突變能力強等優點。目前廣泛應用於冶金、石油化工、天然氣、電力、糧食加工、機械制造行業的空氣預熱、廢熱回收、採暖通風、幹燥等工程中。
型号說明

外形結構尺寸圖

RZGL型空氣(qì)散熱器主要技術參(cān)數、尺寸表

空氣冷卻器
特點
空氣冷卻器是利用空氣作爲介質通過熱元件(翅片管)外側,對較熱的介質(氣體、液體)通過傳熱元件内側進行冷卻,冷凝熱交換設備。
冷卻器傳熱元件採用先進的國外引進技術軋片式翅片管。
單簡述軋片管無接觸熱阻,傳熱性能好,強度高,耐熱震和機械震動,熱膨脹性能好。
雙金屬軋片管接觸熱阻低,在較大溫度變化範圍内保持穩定的低值,傳熱系數高,基(襯管)由外層鋁管壁保護不受腐蝕,對溫度突變及震動有良好的抗力,單位長度傳熱面積大,傳熱量高,結構可靠壽命長,軋制翅片光滑無毛刺、無皺折、無易結塵、結垢、易於清洗和排除表面積水,流體阻力低,能長期保持良好的傳熱性能。
以軋片爲管殼的熱管爲一種新型熱導元件,傳熱方式獨特性能優良,熱管換熱器結構簡單輕巧安裝使用方便。
構造
空冷卻由管束,構架,風機,及百面窗組成。
